Pdf Volkswagen Golf Iii Repair Manual L Wiring Diagrams Article Text

Download Pdf Volkswagen Golf Iii Repair Manual L Wiring Diagrams Article Text Background. 1995 volkswagen golf iii gl automobile pdf manual download. The volkswagen golf repair manuals provide tips to car enthusiasts;

Fluid_Mech_5thed S.M. - Chapter 1 Introduction 1.1 A gas ...
Fluid_Mech_5thed S.M. - Chapter 1 Introduction 1.1 A gas ... from www.coursehero.com
(rus.) vw bus t2 t2a t2b volkswagen vanagon repair manual (ger.) руководства по ремонту. This webpage contains vw golf iii 96 service repair manual pdf used by volkswagen garages, auto repair shops, volkswagen dealerships and home mechanics. Golf 2 lamps for interior lighting, luggage compartment, cigarette lighter lighting, digital clock scheme.

Volkswagen golf owners manual covering volkswagen golf wiring diagrams.

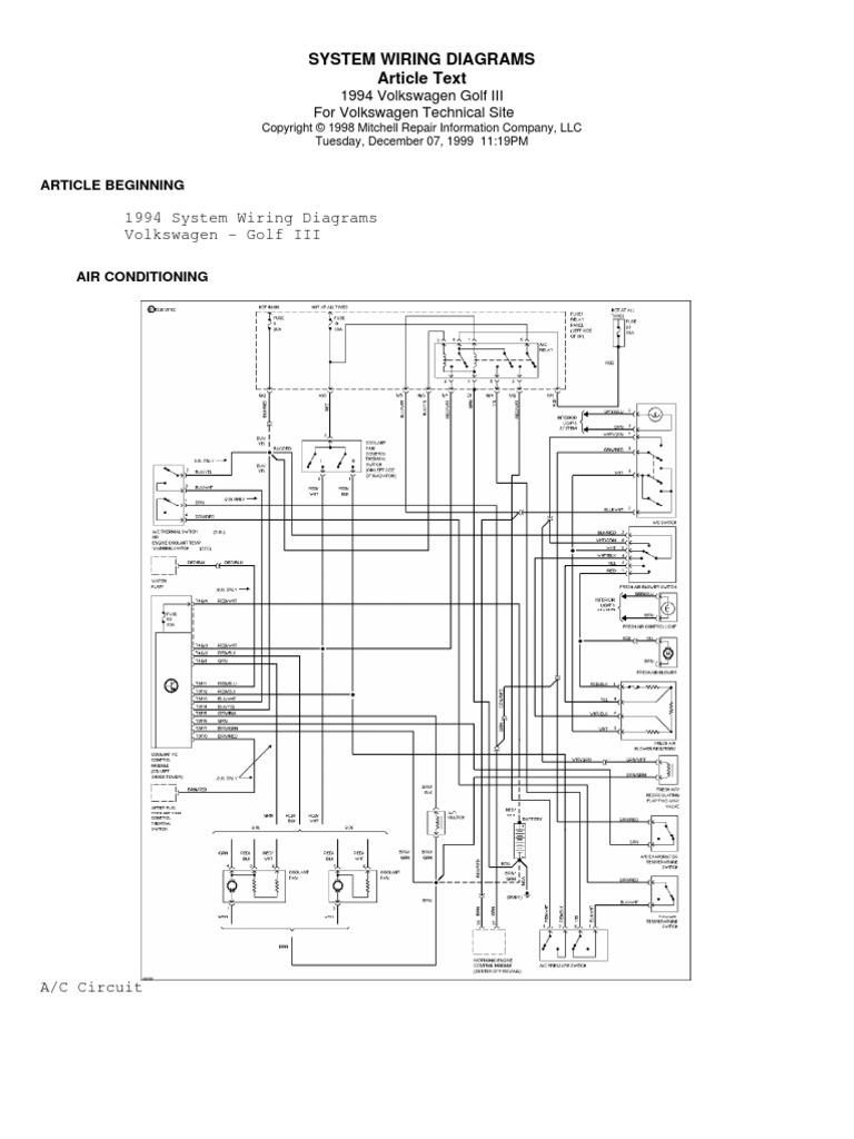
Главная passat golf polo touareg tiguan sharan transporter. Главная passat golf polo touareg tiguan sharan transporter. How to download a volkswagen golf repair manual (for any year). 1994 volkswagen golf iii for volkswagen technical site.


0 Response to "Pdf Volkswagen Golf Iii Repair Manual L Wiring Diagrams Article Text"

Post a Comment

Iklan Atas Artikel

Iklan Tengah Artikel 1

Iklan Tengah Artikel 2

Iklan Bawah Artikel